MORE PROJECTS
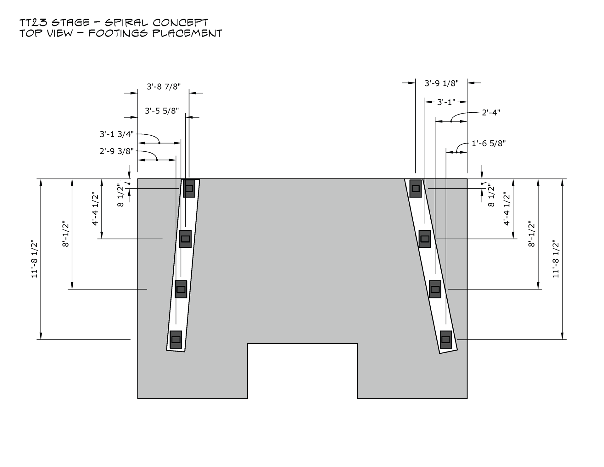
THUMPTOWN II - STAGE CONCEPT
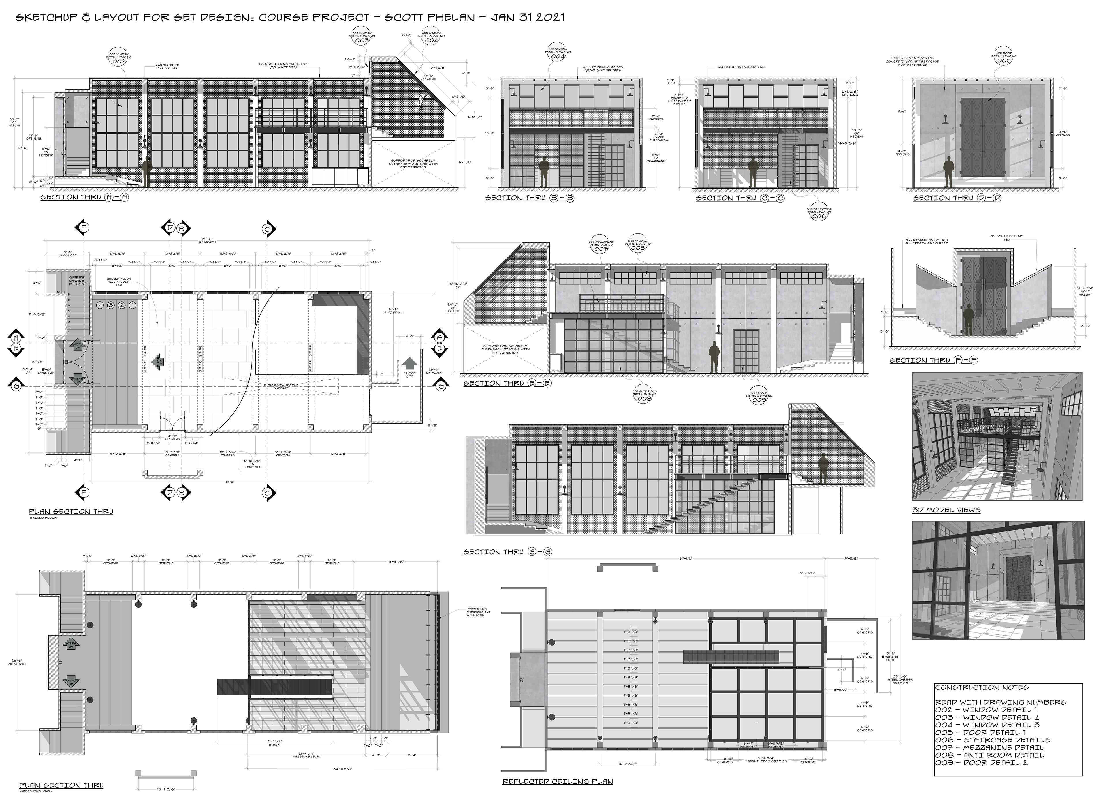
COURSE WORK - NYC LOFT - MODEL VIEW
COURSE WORK - NYC LOFT - LAYOUT
TELEPHONE BOOTH - MODEL VIEW
RADIN JET-BOARD DISPLAY & WASHING STATION - RENDER
COURSE WORK - NYC LOFT - MODEL VIEW
COURSE WORK - NYC LOFT - LAYOUT
TELEPHONE BOOTH - MODEL VIEW
RADIN JET-BOARD DISPLAY & WASHING STATION - RENDER